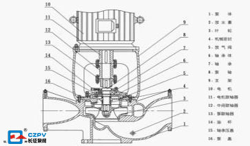
管道泵結構是立式,可以像閥門一樣安裝在管路之中,因此被稱為單級單吸立式管道離心泵。管道離心泵進出口口徑相同,并且位于同一中心線上。下面由上海長征泵閥離心泵廠家為您講解管道泵機械密封的更換。
	 
	管道泵機械密封的更換
	1、準備好放置立式離心泵零件的工作臺(地面)及拆裝工具,切勿任意隨意擺放,避免碰壞不銹鋼離心泵的零部件。
	2、拆卸前,確認電機是否處于檢修狀態。下掉加油螺塞,用吸管把密封座腔內的潤滑油吸出。
	3、拆下分式聯軸器,先把聯軸器的固定內六角螺釘擰下來,再把聯軸器的一半從軸上慢慢拉下。用梅花扳手擰下管道泵軸,吊緊螺栓和擋塊,讓葉輪慢慢下沉到管道泵體,拆下另一半聯軸器,拿下管道泵軸擋圈。
	4、拆密封座,擰下密封座壓緊螺母,輕輕卸下密封座并清洗。
	5、拆卸并清洗軸承座,先輕輕松動一下軸承座后用拆卸螺栓頂起軸承座,并沿著離心泵軸往上提而卸下。用噴氣燃料清洗軸承及座,裝前晾干并涂少許20號機械油潤渭保護。
	6、拆卸機械密封,抓住密封彈簧順著管道離心泵軸往上提,就能拆卸。
	7、機械密封裝配:在動、靜環鏡面上涂一層潔凈的20號潤涓油;導軸承座抹上潤淚油,先把靜環輕輕定位裝入導軸承座。再在離心水泵軸上抹上潤滑油,把機械密封的動環部分輕輕裝入管道離心泵軸上,用手輕推密封環應能伸縮自如。
	8、裝密封座,密封座上先裝入橡膠油封,再把密封座裝入管道泵蓋并壓在軸承座上,擰緊螺母。
	9、裝聯軸器,先在電機軸頭上裝上擋圈,裝上一半聯軸器,再在不銹鋼離心泵軸端和聯軸器槽內裝上擋塊并用梅花扳手擰緊螺栓。再裝上另一半聯軸器擰上內六角螺釘必須擰緊。安裝聯軸器正確的檢查要求,對分式聯軸器上下間隙均勻。用手盤動聯軸器數圈檢查轉動靈活。
	10、按使用要點試運轉檢查更換機械密封是否正確,立式不銹鋼管道離心泵組是否正常運行。


 D型不銹鋼多級臥式離心泵
D型不銹鋼多級臥式離心泵 102型、103型、104型、105型塑料離心泵
102型、103型、104型、105型塑料離心泵 FS型玻璃鋼離心泵
FS型玻璃鋼離心泵
