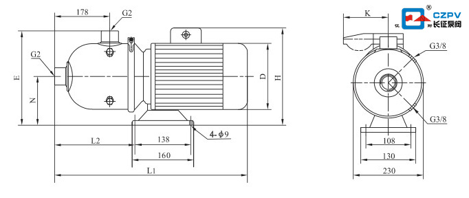
臥式多級離心泵外形尺寸圖
	
 
	臥式多級離心泵外形尺寸表
| 電機 | 型號 | 尺寸 | 重量 | ||||||
| L1 | L2 | H | D | E | N | K | kg | ||
| 三相/單相 | CHL12-10 | 560 | 280 | 230/265 | 170 | 268 | 118 | /100 | 20 | 
| CHL12-20 | 560 | 280 | 230/265 | 170 | 268 | 118 | /100 | 21 | |
| CHL12-30 | 580 | 280 | 240/270 | 180 | 268 | 118 | /100 | 25 | |
| CHL12-40 | 580 | 280 | 240/270 | 180 | 268 | 118 | /100 | 29 | |
| CHL12-50 | 610 | 270 | 270/ | 195 | 276 | 126 | 34 | ||
	
	


 IHF系列氟塑料襯里離心泵
IHF系列氟塑料襯里離心泵 FB全不銹鋼單級單吸耐腐蝕離心泵
FB全不銹鋼單級單吸耐腐蝕離心泵 FSB型氟塑料合金離心泵
FSB型氟塑料合金離心泵
